Публичная номенклатура
Закупки
Электронный номенклатурный справочник
Вход и регистрация
Каталоги
НТД
Действующий
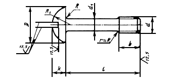
Винты с полукруглой головкой невыпадающие класса точности В
НТД
ГОСТ 10341-80
Вид документа
Конструкция и размеры
Вариации товаров
Количество вариаций товаров по данному НТД
499 944
Перейти к вариациям товаров
Производители
Количество производителей по данному НТД
Не указано
ГОСТ 10341-80 Винты с полукруглой головкой невыпадающие класса точности В