Публичная номенклатура
Закупки
Электронный номенклатурный справочник
Вход и регистрация
Каталоги
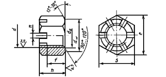
ГОСТ 5932-62 Гайки шестигранные прорезные и корончатые (повышенной точности)
НТД
Недействующий
Гайки шестигранные прорезные и корончатые (повышенной точности)
НТД
ГОСТ 5932-62
Вид документа
Размеры
Заменен на
ГОСТ 5932-73
Вариации товаров
Количество вариаций товаров по данному НТД
Скоро в системе
Перейти к вариациям товаров
Производители
Количество производителей по данному НТД
Не указано